
Princípio de funcionamento e características da máquina de secagem à vácuo
A água pura possui maior velocidade de evapora??o sob condi??es de ebuli??o. Em press?o normal, a água pura come?a a evaporar a 100℃. No vácuo, esse ponto de ebuli??o pode ser reduzido em grande escala, e quanto maior for a press?o à vácuo, menor será o ponto de ebuli??o. Na máquina de secagem à vácuo, a água evaporada pode ser removida rapidamente pelo sistema à vácuo. Assim, esse secador possui uma maior capacidade de secagem embora ela opere em uma menor temperatura. A matéria-prima se encontra sob condi??es estáticas durante a opera??o do equipamento, o que é um benefício para manter o estado inicial do material. Uma opera??o intermitente é capaz de ajustar condi??es de processo a qualquer momento.
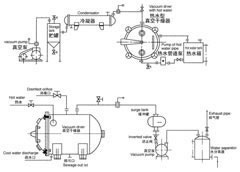
O sistema da máquina de secagem à vácuo FZG é desenvolvido para lidar com problema de retorno de água condensada. Além disso, a suc??o de ar é aplicada na lateral, a fim de aumentar a eficiência de secagem. Esse equipamento pode usado em baixas temperaturas de secagem e recupera??o de solvente, e a fonte de calor usada pode ser vapor, água quente, ou óleo de condu??o de calor.
A máquina de secagem à vácuo é especialmente adequada para materiais que s?o facilmente oxidados durante a secagem.
Aplica??o da máquina de secagem à vácuo
A máquina de secagem à vácuo é adequada para secagem de materiais sensíveis à calor para a indústria farmacêutica, indústria química, indústria alimentícia, indústria eletr?nica, indústria de medicina chinesa tradicional, e muito mais.
Características da máquina de secagem à vácuo
Pode atingir uma maior velocidade de secagem a uma menor temperatura, tornando-a mais eficiente em energia. Consegue secar em baixas temperaturas, e assim pode ser usada para secar matérias-primas sensíveis à calor.
Consegue secar matérias-primas que contenham solventes que necessitem de reciclagem. Antes da secagem, a máquina de secagem à vácuo consegue efetivar um tratamento desinfetante, e durante a secagem n?o se pode entrar impurezas.
Parametros técnicos da máquina de secagem à vácuo
| Modelo | YZG-600 | YZG-800 | YZG-1000 | YZG-1400 | FZG-10 | FZG-15 | FZG-20 |
| Tamanho interno da camara (mm) | Φ600×976 | Φ800×1320 | Φ1000×1530 | Φ1400×2080 | 1500x1040x1220 | 1500x1400x1200 | 1500x1800 x1200 |
| Tamanho externo da camara (mm) | 750×950×1050 | 950×1210×1350 | 1150×1410×1600 | 1550×1900×2150 | 1676×1700×1564 | 1676×2060×1564 | 1676×2500 ×1564 |
| Camadas de suporte | 4 | 8 | 12 | 32 | 20 | 32 | 48 |
| Intervalo de camada (mm) | 85 | 100 | 100 | 100 | 120 | 120 | 120 |
| Tamanho de prateleiras (mm) | 310×600×45 | 640×460×45 | 640×460×45 | 640×460×45 | 640×460×45 | 640×460×45 | 640×460×45 |
| Número de prateleiras | 4 | 12 | 32 | 32 | |||
| Press?o de trabalho dentro de tubula??o de suporte (Mpa) | ≤0.784 (8kg/cm2) | ≤0.784 | ≤0.784 | ≤0.784 | ≤0.784 | ≤0.784 | ≤0.784 |
| Temperatura de opera??o do suporte (℃) | 35~150 | 35~150 | 35~150 | 35~150 | 35~150 | 35~150 | 35~150 |
| Grau de vácuo dentro da camara quando a opera??o for neutra (Mpa) | -0.1 | -0.1 | -0.1 | -0.1 | -0.1 | -0.1 | -0.1 |
| Sob condi??es de -0.1 Mpa e 110℃, taxa de evapora??o da água (Kg/m2h) | 7.2 | 7.2 | 7.2 | 7.2 | 7.2 | 7.2 | 7.2 |
| Modelo e energia de bomba em estado ativo de condensador kW | 2X-15 2kW | 2X-30A 3kW | 2X-70A 5.5 kW | 2X-70A 5.5 kW | 2X-70A 5.5 kW | 2X-70A 5.5 kW | 2X-90A 7.5 kW |
| Modelo e energia de bomba em estado inativo de condensador (kW) | SZ-0.5 1.5kW | SZ-1 2.2kW | SZ-1 2.2kW | SZ-2 5.5kW | SZ-2 4.0kW | SZ-2 5.5kW | SZ-2 5.5kW |
| Peso Bruto (kg) | 250 | 600 | 800 | 1400 | 1400 | 2100 | 3200 |
Notas sobre realiza??o de ordem
Ao realizar sua ordem de compra, por gentileza escolha a máquina de secagem à vácuo adequada às matérias-primas a serem secas, como, propriedades físicas, umidade inicial, temperatura, grau à vácuo, valor a ser seco, tempo de secagem, entre outros. A máquina de secagem à vácuo está disponível em modelos para qualquer outra fonte de uso de calor: vapor, água quente e aquecimento por óleo de condu??o.
Os acessórios usados no sistema de secagem à vácuo mencionados nos Instrumentos de Opera??o podem ser fornecidos e instalados por nossa fábrica. Por gentileza, mencione-os ao realizar a ordem. Nós também podemos oferecer um design especializado, fabrica??o e servi?os de instala??o de máquinas de secagem à vácuo para os requerimentos particulares de cada clientes.
Fluxograma de processos
Nosso equipamento vem com garantia de reparo, substitui??o ou reembolso para produtos padr?es, também fornecemos pe?as de troca. Assim você pode se sentir seguro ao adquirir nossos produtos e contratar nossos servi?os.

